Профиль TOP-BACK-2000 ANOD (P10) (Arlight, Алюминий) 016981 в Чебоксарах
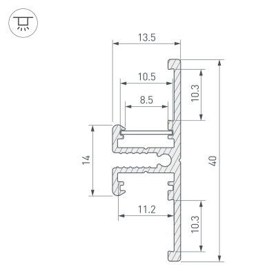
Накладной профиль из анодированного алюминия с двусторонним свечением вверх-вниз для подсветки стен и мебели. Габаритные размеры профиля составляют 2000 мм в длину, 13,5 мм в ширину и 40 мм в высоту. Две основные площадки для установки светодиодных лент позволяют использовать ленты шириной до 11,2 мм и мощностью до 7 Вт/м каждая, две дополнительные площадки позволяют использовать ленты шириной до 10,3 мм и мощностью до 6 Вт/м каждая. Это обеспечивает гибкость в выборе светодиодных лент и создает потрясающие световые решения. Экраны, заглушки и другие аксессуары не включены в комплект и приобретаются отдельно. Цена указана за 1 метр профиля. Отличное решение для создания современных световых проектов.
Алюминиевый анодированный профиль для светодиодных лент и линеек. Для 2-х сторонней обратной/боковой подсветки стен, мебели в направлении вверх/вниз. Габаритные размеры (L×W×H): 2000x13,5x40 мм. Две площадки для ленты по 11,2 мм, две площадки для ленты по 10,3 мм. Экраны, заглушки и другие аксессуары приобретаются отдельно. Цена за 1 метр.
016981 Arlight Профиль Накладной - Серебристый в Чебоксарах
Вы можете заказать Профиль Arlight с доставкой или самовывозом в Чебоксарах
просто достаточно позвонить менеджеру и сообщить артикул товара: 016981 или оформить заказ на сайте Arlight Shop Чебоксары
Инструкции и файлы
Характеристики
|
Гарантия м.
|
12 |
|
Материал корпуса
|
Алюминий |
|
Способ монтажа
|
Накладной |
|
Назначение
|
Для светильников бра |
|
Форма (сечение)
|
- |
|
Цвет покрытия
|
Серебристый |
|
Тип товара
|
Профиль |
|
Модельный ряд
|
TOP |
|
Способ установки профиля
|
Накладной |
|
Рассеиваемая тепловая мощность на 1м
|
max: 26.7 W |
|
Внешний вид поверхности
|
Матовая |
|
Покрытие поверхности
|
Анодирование |
|
Длина
|
2000 мм |
|
Ширина
|
13.5 мм |
|
Высота
|
40 мм |
|
Ширина площадки
|
11.2 мм |
|
Кратность цены за 1 м/шт
|
1 |
|
Мощность (прайс)
|
26.7 Вт |




